On the evening of December 11, Xiaomi officially released its semi-in-ear noise-canceling earbuds Xiaomi Buds 4 at the new product launch event of Series 13 & MIUI14.

(Image credit: Xiaomi's official website)
According to the official data, Xiaomi Buds 4 adopts a semi-in-ear design that is more comfortable to wear and brings users an immersive experience of 360° surround sound and sound following head movement through independent spatial audio technology. Meanwhile, Xiaomi Buds 4 inherits the flagship noise cancellation function of Buds 3, supporting intelligent and active noise cancellation and providing three active noise cancellation modes. The product complies with the LHDC 5.0 ultra-clear transmission protocol standard, with a sampling rate of 192kHz, and has passed the Hi-Res Audio Wireless certification; The earbuds cradle is designed with a round cobblestone appearance and is equipped with two splicing material to be charged through the Type-C interface.
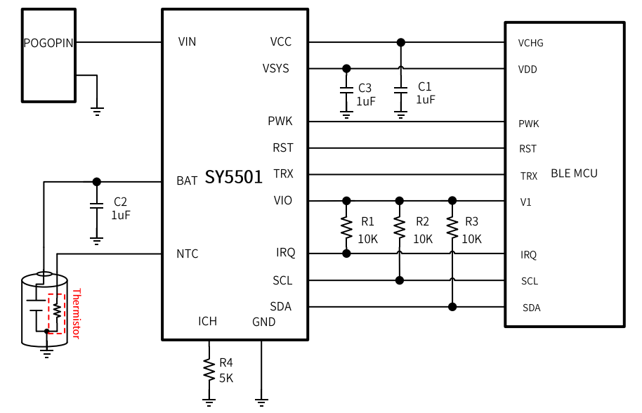
The endurance performance of Xiaomi Buds 4 is a highlight, which is mainly reflected in its ability to last up to 6 hours at a time, 30 hours with a cradle, and 2.5 hours for music play after 10 minutes of charging through the cradle. In addition, Xiaomi Buds 4 has built-in Thinkplus Semiconductor ICs — TWS cradle SoC SY8809 and PMIC SY5501.
SY8809 is integrated with the charging and discharging module internally, and adopts NVDC architecture. The I2C interface allows easy communication between IC and MCU. Charging current and voltage are adjustable. The product also provides two-way output load storage detection, NTC protection as well as standard I2C interface and interrupt signal functions. SY8809 is also integrated with a communication port, which can realize high-speed communication between MCU and the earbuds. The ultra-high integration greatly simplifies the peripheral circuit and components, which can provide a perfect solution for the application to the Xiaomi Buds 4 cradle.

The charging and isolation communication solution provided by PMIC SY5501 and its simplified QFN14-1.6mmx1.6mm package greatly optimize the earbuds power management design and product experience of Xiaomi Buds 4.

It is reported that Xiaomi Buds 4 has been officially launched in all channels. This product is believed to win the favor of many consumers with its advantages such as ultra-high definition audio, ultra-low distortion and strong battery life. Thinkplus Semiconductor has promoted the launch of Xiaomi Buds 4 and will keep moving toward product technology upgrading. Focusing on the new products planned for the applications of lithium battery power management, the company will also create new products and solutions in other emerging markets, including smart wearables, small household appliances, energy storage, travelling products, and industrial products.