News Center

News Center

Company News

2023.02.16
Summary of Applications in 2022 | Thinkplus Semiconductor Developed An Integrated Power Management IC Solution to Continuously Improve User Satisfaction

Source: www.52audio.com Author: www.52audio.com


As time flies by, 2022 has become history, and 2023 is coming with hope, so we should review the old times to embrace a better future. Based on more than 700 popular audio product research reports, we will continue to share what ICs are used in these products. This time, we will share with you what brands of audio products and intelligent wearable devices are embedded with power management IC products of Thinkplus Semiconductor.


微信图片_20221028105848.png


Shenzhen Thinkplus Semiconductor Co., Ltd., founded in 2011, is a digital-analog mixed-signal integrated circuit design company with independent intellectual property rights. Adhering to its core concept of "service, quality, innovation and win-win", Thinkplus Semiconductor provides customers with a full range of high-quality battery management system-level IC solutions. The company has been focusing on the design of POWER+ power management integrated circuits (ICs) for battery applications, and committed to providing leading battery management system-level IC solutions for smart wearables, pan-consumer electronics, industry, mobiles energy storage, new energy vehicles and other industries. The product scope includes power bank SoC, TWS earbuds power management IC, lithium battery charging IC, power management IC (PMIC), wireless charging IC, etc.

 

In the past two years, Thinkplus Semiconductor has ranked first in the market share of TWS earbuds SoC, with accumulated shipment volume of more than 700 million pieces, and the accumulated shipment volume of ICs of the company exceeded 2 billion pieces. It has developed many customers including manufacturers of well-known brands at home and abroad, such as Xiaomi, OPPO, OnePlus, realme, Transsion, Meizu, 1MORE, Baidu, NetEase, EDIFIER, JBL, Harman, Lenovo, etc., serving hundreds of millions of consumers around the world.


1.jpg


According to the analysis report of www.52audio.com, as of December 1, in the TWS earbuds market, TWS earbuds power management ICs, lithium-ion battery charging ICs and protection ICs of Thinkplus Semiconductor have been adopted by 33 smart wearable devices under at least 20 brands. These IC product line models include:

TWS earbuds power management ICs: SY8801, SY8803, SY8809, SY8812, SY8815, SY8820, SY8821, SY8825;

Lithium-ion battery charger ICs: SY8602, SY6103;

Power Management ICs (PMIC): SY5500, SY5501;

Protection ICs: SY5320, SY8702.


2.jpg

  

Let's take a look at which products adopt ICs of Thinkplus Semiconductor, as well as the detailed features of these ICs.

 

I. TWS earbuds power management ICs of Thinkplus Semiconductor

1. SY8801

3.jpg

Based on the design of high safety and high reliability (28V absolute maximum input voltage, built-in full-function charge and discharge over-voltage, over-current, over-temperature, short-circuit protection, etc.), SY8801, specifically designed for TWS earbuds, also has the I2C communication function and internal communication isolating function. Through the I2C interface, the MCU of the system can read and configure the parameters of power management and battery charge and discharge management, and easily realize functions such as NTC protection, sectional regulation of battery current, in-cradle/out-of-cradle detection of TWS earbuds, automatic turn on after power on, etc.

 

The design of the internal communication isolation module of SY8801 greatly optimizes the functional design of the intelligent TWS cradle without complex peripheral circuits, and only needs to connect the SY8801 through the MCU to realize charging. It can provide the earbuds with charging function, and can also realize data communication and transmission through the power supply POGO PIN connected to the earbuds, including the functions of uploading the electricity of the cradle, disconnecting the earbuds and the cradle, restoring the factory setting, upgrading the earbuds software and so on.

8801.png8801.png

image.png


 Application cases:

(1) PHILIPS Fidelio T1

(2) Soundcore LIFE A2 NC+

(3) Baseus Bowie E2

(4) Baseus Bowie M2

(5) Baseus Bowie E9

(6) OnePlus Buds N

(7) EDIFIER NeoBuds S

(8) MOMA Lark M1

(9) HAKII ACTION

(10) JBL WAVE FLEX

(11) OnePlus Buds Z


2. SY8803


5.jpg

        

SY8803 is an SoC specifically designed for Bluetooth earbuds cradle. Both charging module and discharging module are integrated inside the IC. The charging current and discharging termination current are externally adjustable.

 

Based on the design of high safety and high reliability (up to 28V absolute maximum input voltage, built-in full-function charge and discharge over-voltage, over-current, over-temperature, short-circuit protections, etc.), SY8803 also has the I2C communication control function. Through the I2C interface, the MCU of the system can read and configure the parameters of power management and battery charging and discharging management, and easily realize functions such as NTC protection, sectional regulation of battery current, in-cradle / out-of-cradle detection of TWS earbuds, automatic turn on after power on, etc. The IC has passed the latest IEC62368-1 safety regulation certification, which provides a reliable guarantee for users to achieve high-quality product design.

 

SY8803 integrates standard I2C interface and interrupt signal for communication with MCU. At the same time, it also has the functions of load detection and load insertion identification. SY8803 is well matched to the design of the Bluetooth earbuds cradle, greatly simplifying peripheral circuits and components, and providing an easy-to-use solution for application of Bluetooth earbuds cradle. It is available in a QFN16 package.

 

8803.png

image.png

 

Application cases: 

(1) Jabra Elite 2 

(2) Jabra Elite 4 Active

(3) JBL TUNE 130NC

 
3. SY8809

7.jpg


For Bluetooth earbuds cradle solution SY8809, both charging and discharging modules are integrated inside the IC. The charging module is designed in NVDC structure with adjustable charging current I2C at the battery. The discharging module has adjustable output voltage I2C, integrates two output current limit switches, provides independent load detection and load insertion detection, and supports output current detection at the same time. The integrated NTC protection ensures safer charging and discharging of the battery. SY8809 integrates standard I2C interface and interrupt signal for communication with MCU, and control of charging and discharging functions.


The product features include: Up to 28V absolute maximum input voltage; 7uA standby current for automatic status identification; adjustable charging current in trickle current mode and I2C charge termination current at the battery; adjustable charging current based on temperature (automatically decrease with the increase of temperature); charging termination and automatic recharging; adjustable I2C floating charging voltage, with ±0.5% accuracy; NVDC structure for power supply to MCU; adjustable I2C synchronous boost output voltage, with 93% efficiency @0.1A; load insertion identification.


The integrated communication port is provided for high-speed communication from MCU to earbuds. SY8809 is well matched to the design of Bluetooth earbuds cradle, with high level of integration greatly simplifying peripheral circuits and components, and providing an easy-to-use solution for the application of Bluetooth earbuds cradles.


SY8809 is available in a QFN4x4-24 package. SY8809 is applicable to Bluetooth earbuds cradles, portable lithium batteries and other low-power supply.

8809.png

image.png

 

Application cases:

(1) Nothing ear (stick)

 
4. SY8812

9.jpg


SY8812 is an IC specifically designed for Bluetooth earbuds cradle, and adopts 3mmx3mm QFN16 package. Both charging module and discharging module are integrated inside the IC. The charging current is externally adjustable; the discharging module, which integrates two output current limit switches, provides independent load detection and load insertion detection, and supports output current detection at the same time. The integrated NTC protection ensures safer charging and discharging of the battery.

 

SY8812 has an optimized product reliability design, with its absolute maximum input voltage up to DC30V, and has passed the IEC62368 safety certification. SY8812 is well matched to the design of the Bluetooth earbuds cradle, greatly simplifying peripheral circuits and components, and providing an easy-to-use solution for application of Bluetooth earbuds cradle.

8812.png

 

image.png

image.png

Application cases:

(1) QCY AilyPods

(2) realme Buds Air 3 Neo

(3) realme Buds T100


5. SY8815

11.jpg


SY8815 is a Bluetooth earbuds cradle solution. Both charging and discharging modules are integrated inside the IC. The charging current is externally adjustable; the discharging module, which integrates two output current limit switches, provides independent load detection and load insertion detection, and supports output current detection at the same time.

 
A discharging enable control is available in SY8815, so that MCU can directly control the discharging function of the chip flexibly through EN. A single-line status code output is integrated in SY8815, facilitating the uploading of chip status from the chip to the MCU. SY8815 is well matched to the design of the Bluetooth earbuds cradle, greatly simplifying peripheral circuits and components, and providing an easy-to-use solution for application of Bluetooth earbuds cradle.

8815.png

 

image.png

Application cases:

(1) MONSTER CLARITY 8.0 ANC

(2) OPPO Enco Air2 Pro

(3) vivo TWS Air

(4) QCY G1


6. SY8820

13.jpg


SY8820 is an IC designed for Bluetooth earbuds cradle, inside which charging module and discharging module are integrated. The integrated linear charging module has a maximum charging current up to 1A, with adjustable charging current and temperature. The IC has a built-in synchronous boost circuit, with independent load detection and current limiting switch. And it integrates NTC thermistors for detecting battery temperature.

8820.png

image.png

Application cases:

(1) Lenovo Xiaoxin Truewireless ANC Earbuds E5

 
7. SY8821

15.jpg


SY8821 is an IC specifically designed for Bluetooth earbuds cradle. Both charging module and discharging module are integrated inside the IC. The charge current is externally adjustable; the discharging module, which integrates two output current limit switches, provides independent load detection and load insertion detection, and supports output current detection at the same time. The integrated NTC protection ensures safer charging and discharging of the battery.

 

SY8821 is well matched to the design of the Bluetooth earbuds cradle, greatly simplifying peripheral circuits and components, and providing an easy-to-use solution for application of Bluetooth earbuds cradle. SY8821 adopts 3mmx3mm QFN16 package.

 

The product features include: 5uA standby current for automatic status identification, and 2.5uA standby current in the state of normal output; adjustable charging current via external resistor, and 1A maximum linear charge current; adjustable charging current based on temperature (automatically decrease with the increase of temperature); C/10 charging termination and automatic recharging, and 4.2V/4.35V floating charging voltage, with ±1% accuracy; integrated charging overvoltage protection, and 5.05V synchronous boost output, with efficiency up to 93% @ 0.1A; load insertion identification; light-load detection at 3mA; two-stage overcurrent protection for load current and 5.05V constant output; thermal regulation for boost output, over-current, short-circuit, over-voltage and over-temperature protections of discharging module; 1-4 LEDs for external automatic identification; start of discharge and power display by clicking or stop of discharge by long pressing KEY for 3 seconds; direct drive of HALL IC, automatic discharge of cradle after closing the box, automatic activation and connection of earbuds after opening the box. It is applicable to Bluetooth earbuds cradles, portable lithium batteries and other low-power supply.

image.png

image.png


Application cases:

(1) Soaiy S5


8. SY8825

17.jpg


The SY8825 Bluetooth earbuds cradle SoC is designed with integrated charging and discharging modules. The charging current is externally adjustable; the discharging module, which integrates two output current limit switches, provides independent load detection and load insertion detection, and supports output current detection at the same time. SY8825 is available in a ESSOP10 package.

 

A discharging enable control is available in SY8825, so that MCU can directly control the discharging function flexibly through EN. A single-line status code output is integrated in SY8825, facilitating the uploading of chip status from the chip to the MCU. SY8825 is well matched to the design of the Bluetooth earbuds cradle, greatly simplifying peripheral circuits and components, and providing an easy-to-use solution for application of Bluetooth earbuds cradle.

image.png

 

image.png

Application cases:

(1) Marshall MINOR

(2) DENON AH-C830NCW

(3) Newmine Q5

(4) SANAG X Pro


II. Lithium-ion battery charger ICs of Thinkplus Semiconductor

 
1. SY6103

19.jpg


SY6103 is a linear charger IC with integrated path management, maximum charging current of 500mA and I2C communication module. The host supports flexible settings of charging parameters, charging status display, and reporting of related interruptions.


It provides a complete charging process for lithium or lithium polymer batteries, including pre-charge and charge at constant current and constant voltage. When the battery voltage drops, it can be recharged automatically. The integrated path management gives priority to the power supply of the system even if the battery is over-discharged. It is of plug-and-play type integrating comprehensive reset functions for charge-discharge watchdog timer, KEY, register (one-button) and cold reset for software upgrade.

image.png


image.png

Application cases:

(1) OPPO Enco X2

 
2. SY8602

21.jpg

SY8602 is a constant current / voltage, single-lithium battery linear-charging IC with integrated high voltage input. The IC can withstand an input voltage up to 28V. The charging function is disabled for input voltage higher than the protection threshold of 10V in order to prevent high power dissipation. The withstand input voltage of up to 28V eliminates the input over-voltage protection circuit required by low-voltage chargers.

image.png

image.png


Application cases:

(1) OPPO Enco Air2 Pro

(2) vivo TWS Air

(3) OPPO Enco R 


III. Power Management ICs (PMIC) of Thinkplus Semiconductor

1. SY5500

23.jpg


SY5500 is specially designed for TWS earbuds, providing a perfect solution for charging and isolated communication. It integrates linear charger, discharger protection, single-line bidirectional data communication between cradle and earbuds and I2C communication interface to allow for charging-discharging management and protocol communication. SY5500 supports adjustment of maximum charging current via external resistor, and of constant current charging ICC and floating charging voltage (VFLOAT) I2C. The integrated NTC ensures safer charging and discharging of the battery. The battery discharging protection and ship mode ensure low power dissipation of earbuds system.

 

The private control command is sent from the earbuds cradle via VIN to control the IC, so as to turn on / off and reset the master of earbuds. SY5500 also supports identification of earbuds in or out of the cradle and issues a notification to the master. Multiple functions and low power dissipation ensure a shorter development cycle of Bluetooth earbuds, and the simplified 1.6mmx1.6mm QFN14 package greatly saves space for Bluetooth earbuds solution.

image.png

image.png

 

Application cases:

(1) MOMA LARK M1

(2) Soundcore x Himalaya SMART FRAMES

 

2. SY5501

25.jpg


SY5501 is specially designed for TWS earbuds, providing a perfect solution for charging and isolated communication. It integrates linear charger, discharge protection, single-line bidirectional data communication between cradle and earbuds and I2C communication interface to allow for charging-discharge management and protocol communication. It supports adjustment of maximum charging current via external resistor, and of constant current charging ICC and floating charging voltage (VFLOAT) I2C. The integrated NTC ensures safer charging and discharging of the battery.

 

The battery discharging protection and ship mode ensure low power dissipation of earbuds system. The private control command is sent from the earbuds cradle via VIN to control the IC, so as to turn on / off and reset the master of earbuds. SY5501 also supports the identification of earbuds in or out of the cradle and issues a notification to the master. Multiple functions and low power dissipation ensure a shorter development cycle for Bluetooth earbuds. The simplified 1.6mmx1.6mm QFN14 package greatly saves space for Bluetooth earbuds solution.

image.png

image.png

 

Application cases:

(1) OnePlus Buds N

(2) Nothing ear (stick) 


IV. Protection ICs of Thinkplus Semiconductor

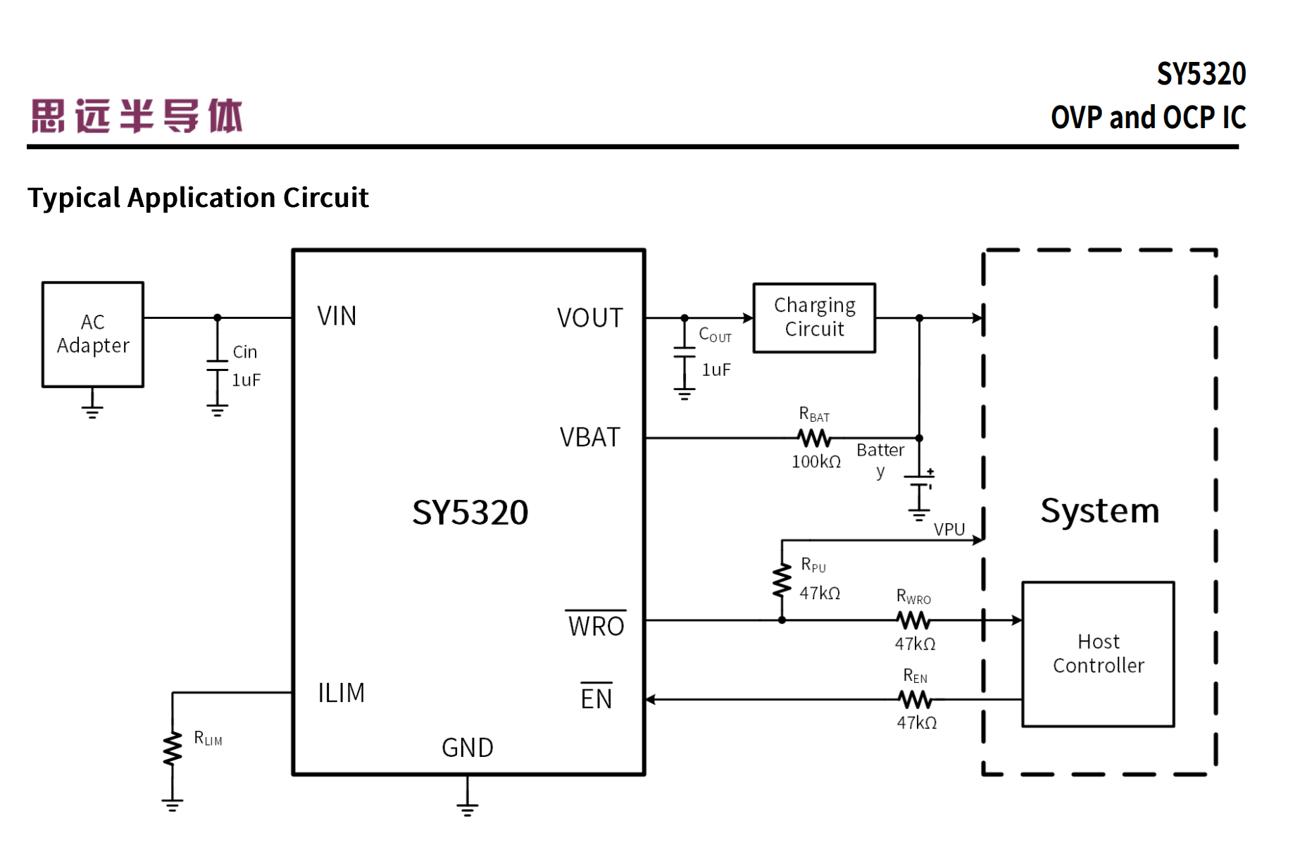
1. SY5320

27.jpg

SY5320, an overvoltage and overcurrent protection IC, is a highly integrated IC with input under-voltage and overvoltage protection, battery overvoltage protection, abnormal load current protection, and over-temperature protection. It is used at the front end of charging circuits or low-voltage systems to avoid the impact of abnormal input faults on lithium-ion batteries or low-voltage systems and can withstand high input voltages up to 28V.


When the input voltage exceeds the over-voltage protection threshold, SY5320 will turn off the internal MOSFET within 1μs to protect the back-end low-voltage system from being affected by abnormal high input voltage. When the battery voltage exceeds the battery protection threshold, the IC will also shut down the MOSFET and cut off the system power to protect the lithium-ion battery. The IC can control the input current flow through the external resistor between ILIM and GND to prevent the low-voltage system from over-current input. At the same time, with the over-temperature protection, the IC will also shut down the MOSFET to stop power supply when the chip temperature exceeds the over-temperature protection threshold. When SY5320 is under the control of processor, the host can obtain the IC’s working condition through the WRO status. SY5320 is available in DFN-2x2-8L package and is rated in temperatures ranging from -40°C to +85°C.

image.png

 image.png


Application cases:

(1) MONSTER CLARITY 8.0 ANC

(2) realme watch 3 Pro

(3) Lenovo Xiaoxin Truewireless ANC Earbuds E5

(4) Nothing ear (stick)


2. SY8702

29.jpg

SY8702 is a low side Over-Voltage-Protection (OVP) IC, and adopts SOT23-6 package. It internally integrates NMOS switch with an internal resistance of 28mΩ, and uses low-voltage side switch topology and ultra-low on-resistance, which can effectively reduce the input voltage drop, and through the protection voltage external setting, its application becomes more flexible. All this makes SY8702 the simplest and the most practical low-cost OVP solution. The product features include up to 36V over-voltage protection point, external setting of protection voltage point, and 28 mΩ NMOS switch.

image.png

image.png

 

Application cases:

(1) OnePlus Buds N

(2) OnePlus Buds Z, OnePlus Buds Z2


Return to List
网站地图