Product Center
SY8833 Sample Application
General Description

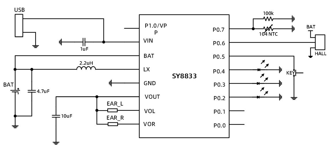
SY8833是专门为TWS耳机充电仓设计的全集成SoC芯片。SY8833内部集成了兼容8051指令集的CPU,256字节RAM, 4k字节OTP程序存储区,多通道10位ADC,9个GPIO,一个线性充电模块,一个Boost升压模块和两个独立放电控制MOS管。
SY8833为SOP16封装。

Features

兼容8051指令集CPU

256字节RAM

4k字节OTP程序存储空间

2个定时器

1路UART

11.0592MHz时钟频率

1个多通道10位ADC

9个GPIO

3个集成400/800Ω电阻的LED驱动

线性充电,最大充电电流500mA,支持4.2/4.35V浮充电压,精度0.5%

5V/500mA的boost升压转换器

双路独立耳机插拔检测、功率控制和轻载检测

支持霍尔和按键检测

支持NTC功能

静态功耗: 15uA

封装:SOP16

Typical Application Circuit Diagram
Applications

TWS耳机充电仓

网站地图