Product Center
SY8809 Sample Application
General Description

SY8809 is a highly-integrated IC specifically designed for Bluetooth cradle charging case. Both charging and discharging modules are integrated inside the IC. The charging module is of NVDC structure, with charging current set by I2C . The discharging module has adjustable output voltage I2C, integrates two output current limit switches, provides independent load detection and load insertion detection, and supports output current detection at the same time. The integrated NTC protection ensures safely charge and discharge for the battery.
SY8809 integrates standard I2C interface and interrupt for communication with MCU, and control  charging and discharging functions.
The integrated communication port is provided for high-speed communication from MCU to earbuds. SY8809 is well matched to the design of Bluetooth earbuds charging case, with high level of integration greatly simplifying peripheral circuits and components, and providing an easy-to-use solution to the application of Bluetooth cradle charging cases.
SY8809 package is QFN4*4-24.

Features

input absolute maximum voltage 28V

standby current 7uA of automatic status identification

charging current can be set by I2C,maximum charging current 2.2A

Trickle charging current and charge-end current can be set by I2C

Charge current based on temperature(automatically decrease charging current when temperature is rising)

Charge termination and automatic recharging

Floating charge voltage set by I2C,with ±0.5% accuracy

NVDC structure for power supply to MCU

Adjustable I2C synchronous boost output voltage, with 93% efficiency @0.1A

Load insertion identification

Dual-channel independent discharge control

Light-load detection with current adjustable

Two-stage overcurrent protection for load current

Thermal regulation for boost output

Over-current, short-circuit, over-voltage and over-temperature protections of discharging module

Integrated LED driver, built-in integrated BLN

Integrated high-speed communication interface, with each channel independently send and received data

Configurable received voltage/current code return mode (1kbps communication rate)

Integrated NTC protection

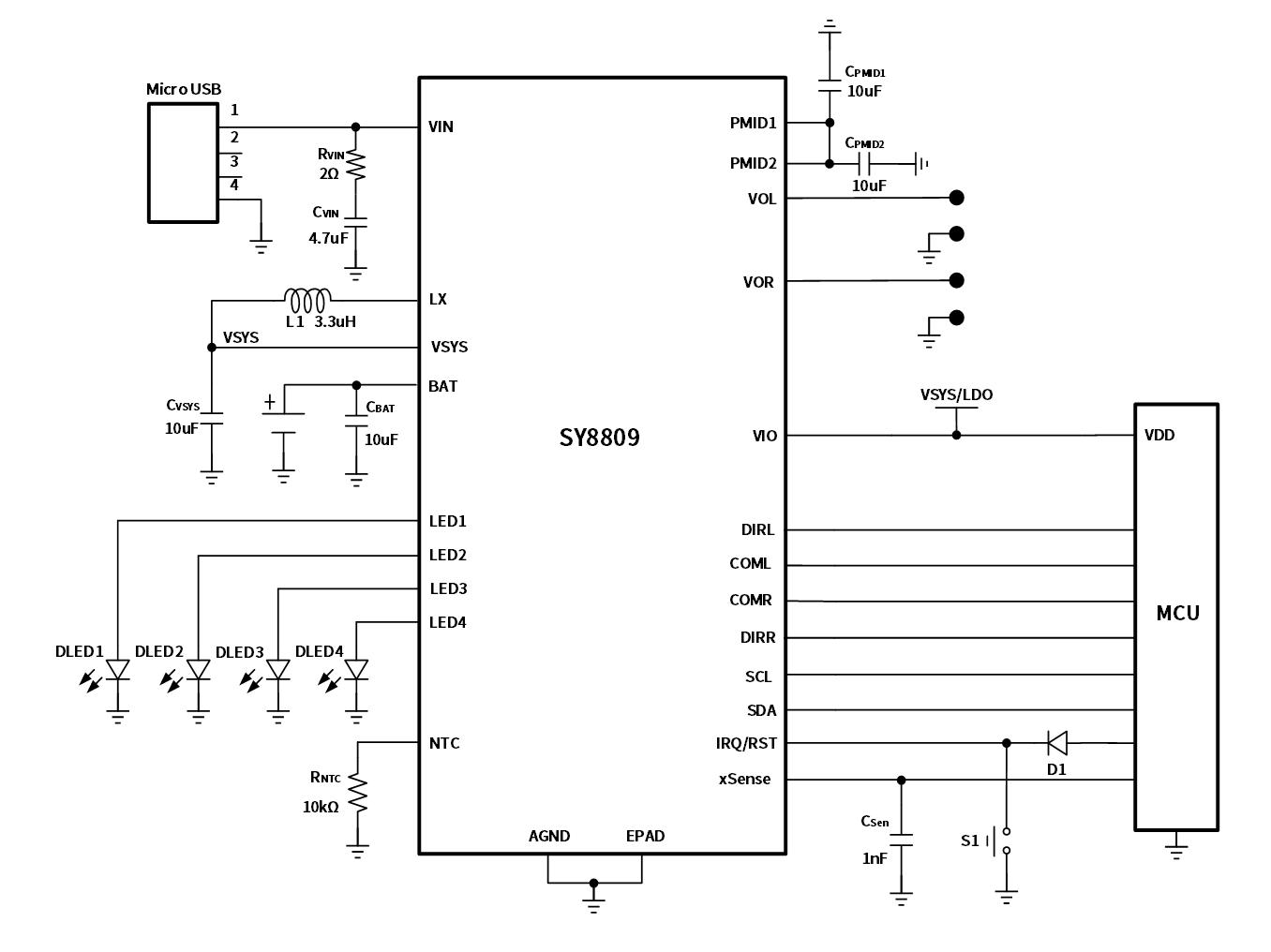
Typical Application Circuit Diagram
Applications

Bluetooth cradle charging cases

Portable lithium battery

Other low-power supply

网站地图