Product Center
SY5101 Sample Application
General Description

SY5101是一款支持I2C编辑动态调整输出电压的BUCK转化芯片。输入电压范围2.9V~5.5V,输出电压范围0.3V~1.394V,I2C可编译7bit DAC,步长6.25mV,动态调整输出电压,支持调整电压变化速率。
SY5101支持3A的输出电流,且保持高达80%效率工作,在低电流时(<10mA),也能保证80%的转化效率。SY5101在PWM模式下定频工作在2.4MHz,较高的工作频率可以使用较低感值电感,以满足输出电压纹波与环路稳定的要求,推介使用0.33uH或者0.47uH的电感。
SY5101内部设计有零电流检测功能(ZCD),可以在轻载时进入脉冲频率调制(PFM),较低的静态工作电流,达到更高的效率,且拥有很好的负载响应速度和线性响应速度。负载电流上升后,SY5101会切换到固定2.4MHz频率的脉宽调整模式(PWM),拥有更小的输出电压纹波与更优的负载响应速度.如果需要,可以通过I2C 控制屏蔽PFM,让芯片一直工作在PWM(FPWM)。在关机模式下,SY5101工作电流降低到1uA以下,降低系统功耗。SY5101支持远端感应,可以将电压反馈采集点放到供电需求端,这样可以提供精度更高的输出电压与更好的负载响应速度。SY5101 采 用 WLCP-15 封 装 , 面 积2.01mm*1.21mm。

Features

输入电压范围:2.9V~5.5V

可I2C编译输出电压范围:0.3V~1.09V或0.6V~1.39V,6.25mV每步

最大输出电流:3A

2.4MHz PWM,无缝切换PWM/PFM,满足轻载效率

动态的输出电压调节与可编译的电压调整速率

优异的负载响应与线性响应速度

在FPM时静态电流达到48 uA;

I2C接口支持SM,FM,FM+与HS模式FLT状态指示

完整的保护机制: 输入电压欠压保护(UVLO); 输入电压过压保护(OVP); 输出过流保护与短路保护(OCP与SCP); 过温保护(OTP) package DFN1X1-4 and the SOT23-5 package

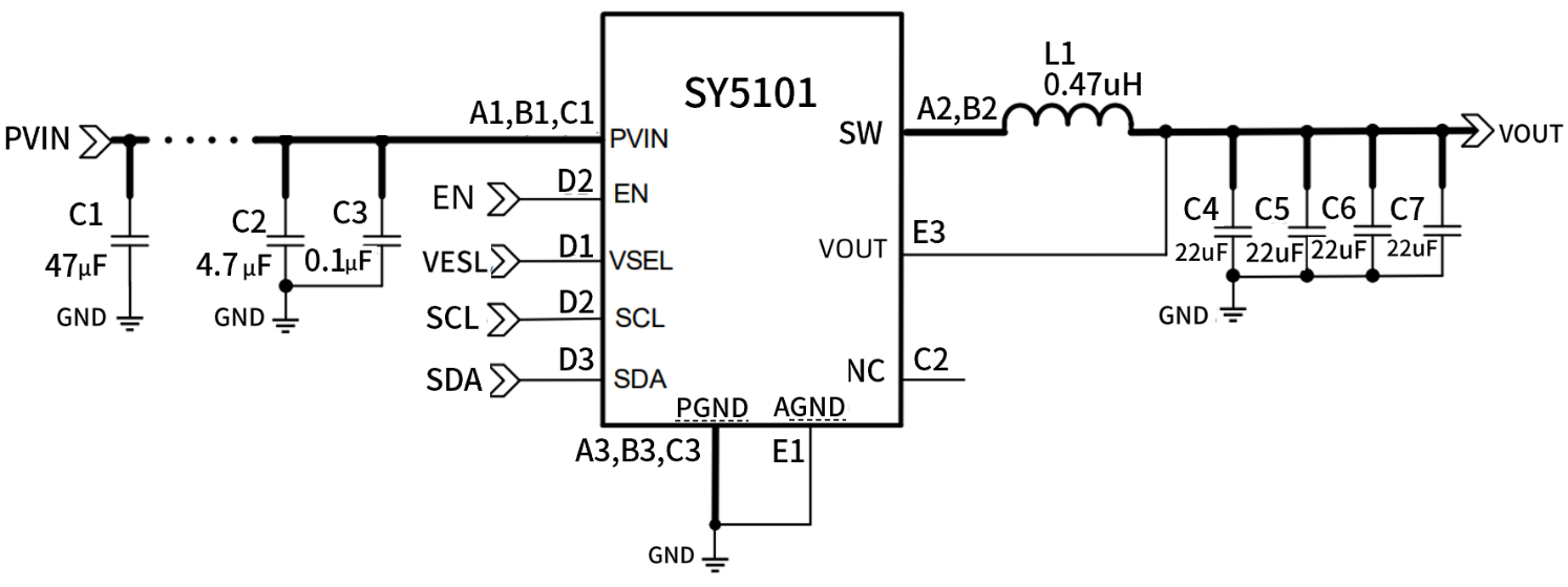
Typical Application Circuit Diagram
Applications

内存,硬盘驱动器

智能手机

平板电脑

手持设备

网站地图