Product Center
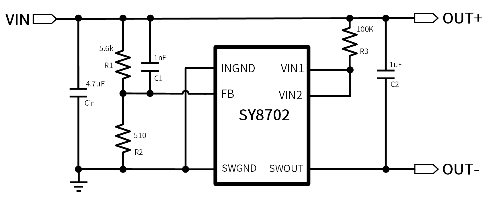
SY8702 Sample Application
General Description

SY8702 is a low side Over-Voltage-Protection (OVP) IC which integrates only 28mohm switch NMOS internally. It’s convent to set the protection voltage by the external resistor. The maximum working voltage is up to 36V.

Features

Over voltage protection up to 36V

28mohm switch resistance

Protection voltage adjustable

Typical Application Circuit Diagram
Applications

Tablet, MID Applications

Smart phones

Car camera

Power Bank

网站地图