Product Center

产品中心
TS5110 样品申请
概述

The TS5110 is a high-accuracy digital temperature sensor. It is fully compliant with JEDEC JESD302-1 specification.
The TS5110 device is intended to operate up to 12.5 MHz on a 1.0V I3C Basic bus or up to 1 MHz on a 1.0 V to 1.2 V I2C bus. When the device is in I3C mode,it supports the in-band interrupt (IBI) function.
The device provides +/-0.25°C typical sensing accuracy, over the entire operating temperature range of -40°C to +125°C. The detection frequency is greater than 8 samples/s, realize real-time monitoring of ambient temperature. By setting reasonable upper and lower temperature thresholds, and generate temperature interruption events to avoid operating exceptions caused by over temperature.
The TS5110 is available in a 6-pin CSP (0.85mmx1.35mm) package.

产品特性

Compliant with JEDEC JESD302-1

Operating temperature range:-40℃~+125℃

Exceeds JEDEC temperature accuracy specifications:(typ./max.):±0.25°C / ±0.5°C from +75°C to +95°C;±0.25°C / ±0.75°C from -40°C to +125°C

Sample frequency:>8samples/s

Low power consumption: Working average current: 2.6uA;Standby current:1.0uA

Operating voltage range: 1.70V~1.98V(VDDSPD);0.95V~1.05V(VDDIO)

Support 1MHz I2C and 12.5MHz I3C Bus

Configurable temperature threshold

Support PEC and PAR Function

Support the In Band Interrupt

6-pin CSP (0.85mmx1.35mm) package

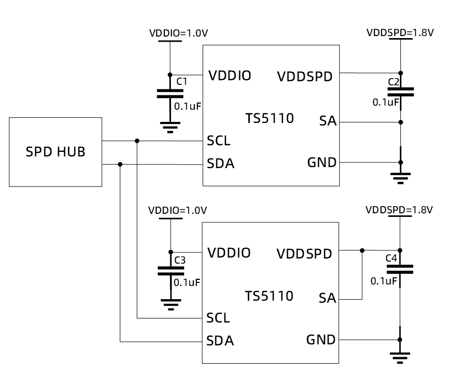
产品参考应用图
应用

DDR5 DIMM

Server

Notebook computer

Workstation

SSD

网站地图